Zum Hauptinhalt springen Zur Suche springen Zur Hauptnavigation springen

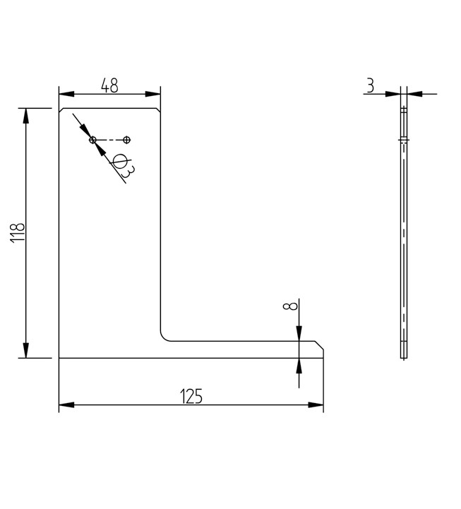
Endkappe aufgesetzt

Produktinformationen "Endkappe aufgesetzt"

Endkappe aufgesetzt, zum Kleben pressblank, gebohrt